-
SILNIKI ELEKTRYCZNE
- Silniki asynchroniczne
-
Silniki prądu stałego
- Silniki DC
-
Silniki BLDC
-
DUNKERMOTOREN BG
- BGA 22 dCore
- BGA 22 dGo
- BGA 32 dCore
- BG 32 KI
- BG 42 dCore
- BG 45
- BG 45 SI
- BG 45 PI/MI
- BG 45 CI/PB/EC
- BG 45 SMD
- BG 62 dCore
- BG 65 dCore
- BG 65
- BG 65 SI
- BG 65 PI/MI
- BG 65S
- BG 66 dPro CO/IO
- BG 65S SI
- BG 65S SMD
- BG 65 CI/PB/EC
- BG 66 dPro PN/EC/EI
- BG 65S CI/PB/EC
- BG 65 dMove
- BG 65S PI/MI
- BG 66 dMove
- BG 75
- BG 75 SMD
- BG 75 SI
- BG 75 dPro CO/IO
- BG 75 PI/MI
- BG 75 dPro PN/EC/EI
- BG 75 CI/PB/EC
- BG 95 dCore
- BG 95 dPro CO/IO
- BG 95 SMD
-
DUNKERMOTOREN BG
- Akcesoria
- Silniki serwo
- Silniki krokowe
- Silniki liniowe
- Silniki momentowe
- Silniki trakcyjne
-
Silniki wrzecionowe
- Wrzeciona z ręczną wymianą narzędzi
- Wrzeciona z automatyczną wymianą narzędzi
- Głowice obróbcze
-
Akcesoria
- Uchwyt narzędziowy HSK63F-ER32
- Uchwyt narzędziowy HSK63A-ER32
- Uchwyt narzędziowy ISO30-ER32
- Uchwyt na narzędzia do przechowywania HSK63F
- Uchwyt na narzędzia do przechowywania HSK63A
- Uchwyt na narzędzia do przechowywania ISO30
- Jednostki zespolone
- Zmieniarka narzędzi
-
PRZEKŁADNIE
- Kątowe
- Planetarne
-
Cykloidalne
- Koła Mecanum
- Systemy mechatroniczne
-
Kompaktowy
-
NECO
- ULTRA-KOMPAKTOWE PRZEKŁADNIE CYKLOIDALNE NABTESCO Z KOŁNIERZEM WYJŚCIOWYM - NECO-125
- ULTRA-KOMPAKTOWE PRZEKŁADNIE CYKLOIDALNE NABTESCO Z KOŁNIERZEM WYJŚCIOWYM - NECO-80
- ULTRA-KOMPAKTOWE PRZEKŁADNIE CYKLOIDALNE NABTESCO Z KOŁNIERZEM WYJŚCIOWYM - NECO-42
- ULTRA-KOMPAKTOWE PRZEKŁADNIE CYKLOIDALNE NABTESCO Z KOŁNIERZEM WYJŚCIOWYM - NECO HT-900
- ULTRA-KOMPAKTOWE PRZEKŁADNIE CYKLOIDALNE NABTESCO Z KOŁNIERZEM WYJŚCIOWYM - NECO HT-500
- ULTRA-KOMPAKTOWE PRZEKŁADNIE CYKLOIDALNE NABTESCO Z KOŁNIERZEM WYJŚCIOWYM - NECO HT-380
- ULTRA-KOMPAKTOWE PRZEKŁADNIE CYKLOIDALNE NABTESCO Z KOŁNIERZEM WYJŚCIOWYM - NECO-25
- RH-N
- Proste
- Kątowe
-
NECO
- Podzespoł
- Pozycjonery
- Smary
- Stoły obrotowe RS
- Stożkowe
- Przekładnie harmoniczne
- Hipoidalne
-
Ślimakowe
-
RAVEO
- RV040060-11
- RV040050-11
- RV040040-14
- RV040030-14
- RV040025-14
- RV040020-14
- RV030060-9
- RV030010-11
- RV050040-19
- RV050020-19
- RV040100-11
- RV040080-11
- RV030050-11
- RV030040-11
- RV030030-11
- RV030020-11
- RV050050-14
- RV050030-19
- RV050025-19
- RV050015-19
- RV050010-19
- RV030025-11
- RV040007.5-14
- RV030080-9
- RV0630010-24
- RV050100-11
- RV050080-14
- RV050060-14
- RV0630030-24
- RV0630025-24
- RV0630020-24
- RV0630015-24
- RV050007.5-19
- RV030015-11
- RV030007.5-11
- RV0630100-19
- RV0630080-19
- RV063007.5-24
- RV0630060-19
- RV0630050-19
- RV0630040-19
- INNOMOTICS SIEMENS
- DUNKERMOTOREN
- BEGE
-
RAVEO
- Ślimakowe walcowe
- Walcowe
- Płaskie
- Kompaktowe
-
TECHNIKA LINIOWA
- Prowadnice liniowe
-
Aktuatory
-
Aktuatory Liniowe Haydon Kerk Pittman
- Siłownik liniowy Dual Motion rozmiar 14 (seria 35000)
- Hybrydowy siłownik liniowy SLIM Drive
- Siłownik liniowy z silnikiem krokowym Can-Stack seria Z26000 26mm
- Siłownik liniowy z silnikiem krokowym Can-Stack seria G4 25000 25mm
- Siłownik liniowy z silnikiem krokowym Can-Stack seria G4 19000 20mm
- Siłownik liniowy z silnikiem krokowym Can-Stack seria Z20000 20mm
- Siłownik liniowy z silnikiem krokowym Can-Stack rozmiar 15 Seria 15000
- Siłownik liniowy Dual Motion rozmiar 17 (seria 43000)
- Siłownik liniowy AC synchroniczny
- Siłownik liniowy z silnikiem krokowym Can-Stack seria G4 37000 37mm
- Hybrydowy aktuator liniowy wielkość 34 87mm
- Hybrydowy aktuator liniowy rozmiar 8 21 mm
- Hybrydowy aktuator liniowy wielkość 6 16 mm podwójny
- Hybrydowy siłownik liniowy wielkość 6 (16 mm)
- Hybrydowy aktuator liniowy rozmiar 8 21 mm podwójny
- Hybrydowy aktuator liniowy rozmiar 17 43mm podwójny
- Hybrydowy aktuator liniowy rozmiar 17 43mm
- Hybrydowy aktuator liniowy rozmiar 14 35mm podwójny
- Hybrydowy aktuator liniowy rozmiar 14 35mm
- Hybrydowy aktuator liniowy rozmiar 11 28mm podwójny
- Hybrydowy aktuator liniowy rozmiar 11 28mm
- Hybrydowy aktuator liniowy Seria 8 21mm wielowpust
- Hybrydowy aktuator liniowy Synchroniczny AC
- Hybrydowy aktuator liniowy rozmiar 23 57mm Podwójny
- Hybrydowy aktuator liniowy rozmiar 23 57mm
- Hybrydowy aktuator liniowy rozmiar 17 43mm MAX Podwójny
- Hybrydowy aktuator liniowy rozmiar 17 43mm MAX
- DC
- AC
- Serwo aktuatory
-
Aktuatory Liniowe Haydon Kerk Pittman
- Przekładnie podnoszące
- Sprzęgła
- STEROWANIE
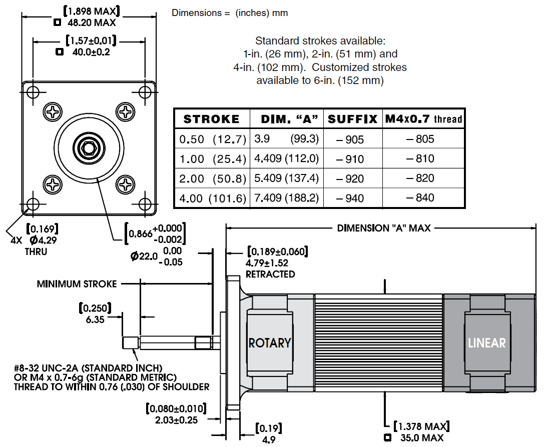
Siłownik liniowy Dual Motion rozmiar 14 (seria 35000)
Siłowniki dwukierunkowe Haydon Kerk™ serii 35000 (rozmiar 14) są dostępne z nieograniczoną liczbą parametrów roboczych, co pozwala na dostosowanie każdego urządzenia do konkretnych wymagań aplikacji klienta.
Ruch liniowy można zoptymalizować w oparciu o różne rozdzielczości śruby pociągowej, uzyskując skok liniowy w zakresie od 0,0025 mm do 0,04 mm na krok.
Ruch obrotowy jest realizowany za pomocą silników o kącie kroku 1,8° lub 0,9°, zarówno w układzie pojedynczym, jak i podwójnym.
Siłowniki dwukierunkowe Haydon Kerk™ serii 35000 (rozmiar 14) są dostępne z nieograniczoną liczbą parametrów roboczych, co pozwala na dostosowanie każdego urządzenia do konkretnych wymagań aplikacji klienta. Ruch liniowy można zoptymalizować w oparciu o różne rozdzielczości śruby pociągowej, uzyskując skok liniowy w zakresie od 0,0025 mm do 0,04 mm na krok. Ruch obrotowy jest realizowany za pomocą silników o kącie kroku 1,8° lub 0,9°, zarówno w układzie pojedynczym, jak i podwójnym.
| Parametr | Wartość |
|---|---|
| Seria | 35H4-V / 35H6-V |
| Długość stosu | Single Stack |
| Typ uzwojenia | Bipolarne / Unipolarne |
| Kąt kroku | 1.8° |
| Napięcie uzwojenia | 2.33 / 5 / 12 VDC |
| Prąd na fazę | 1.25 / 0.57 / 0.24 A |
| Rezystancja na fazę | 1.86 / 8.8 / 50.5 Ω |
| Indukcyjność na fazę | 2.8 / 13 / 60 mH |
| Moc wejściowa | 5.7 W |
| Klasa izolacji | B (130°C), opcjonalnie F (155°C) |
Ruch liniowy na krok
| mm / krok | Obciążenie (N) |
|---|---|
| 0.0015 | 44.4 |
| 0.0025 | 44.4 |
| 0.0030 | 67 |
| 0.005 | 67 |
| 0.0061 | 67 |
| 0.01 | 67 |
| 0.0121 | 67 |
| 0.02 | 67 |
| 0.04 | 67 |
Specyfikacja – 0.9° Single Stack (liniowy / obrotowy)
| Parametr | Wartość |
|---|---|
| Seria | 35K4-V / 35K6-V |
| Długość stosu | Single Stack |
| Typ uzwojenia | Bipolarne / Unipolarne |
| Kąt kroku | 0.9° |
| Napięcie uzwojenia | 2.33 / 5 / 12 VDC |
| Prąd na fazę | 1.25 / 0.57 / 0.24 A |
| Rezystancja na fazę | 1.86 / 8.8 / 50.5 Ω |
| Indukcyjność na fazę | 2.8 / 13 / 60 mH |
| Moc wejściowa | 5.7 W |
| Klasa izolacji | B (130°C), opcjonalnie F (155°C) |
Ruch liniowy na krok
| mm / krok | Obciążenie (N) |
|---|---|
| 0.00076 | 44.4 |
| 0.00125 | 44.4 |
| 0.0015 | 67 |
| 0.0025 | 67 |
| 0.0030 | 67 |
| 0.005 | 67 |
| 0.0061 | 67 |
| 0.01 | 67 |
| 0.02 | 67 |
Specyfikacja – 1.8° Double Stack (obrotowy)
| Parametr | Wartość |
|---|---|
| Seria | C5M4-V |
| Długość stosu | Double Stack |
| Typ uzwojenia | Bipolarne |
| Kąt kroku | 1.8° |
| Napięcie uzwojenia | 2.33 / 5 / 12 VDC |
| Prąd na fazę | 2 / 0.91 / 0.38 A |
| Rezystancja na fazę | 1.2 / 5.5 / 31.6 Ω |
| Indukcyjność na fazę | 1.95 / 7.63 / 65.1 mH |
| Moc wejściowa | 9.1 W |
| Klasa izolacji | B (130°C), opcjonalnie F (155°C) |
Specyfikacja – 0.9° Double Stack (obrotowy)
| Parametr | Wartość |
|---|---|
| Seria | 35P4-V |
| Długość stosu | Double Stack |
| Typ uzwojenia | Bipolarne |
| Kąt kroku | 0.9° |
| Napięcie uzwojenia | 2.33 / 5 / 12 VDC |
| Prąd na fazę | 2 / 0.91 / 0.38 A |
| Rezystancja na fazę | 1.2 / 5.5 / 31.6 Ω |
| Indukcyjność na fazę | 1.95 / 7.63 / 65.1 mH |
| Moc wejściowa | 9.1 W |
| Klasa izolacji | B (130°C), opcjonalnie F (155°C) |
Wymiary:
